ещё! выкл. сиськи
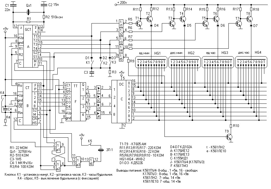
Простите, если Вас интересует схема, то вот она. Она лежит в основе. Для ИН 18 два дешифратора ИД1 в параллель через уравнивающие резисторы на выходе. И соответственно две 176ПУ3 -- входы в параллель, выходы -- каждый на свой 155ИД1. И ток индикаторов свободно поднят до 15 ма для нормальной яркости. Анодные резисторы уменьшены, напряжение питания поднято до 240В. И всё получилось.

UPD.: речь идёт о BLOG:)73580

комментарии
оперативно же ты на комменты реагируешь - через полтора месяца ;)
ладно, так уж и быть: сменил категорию, подредактировал таги. больше не промахивайся, пожалуйста...
Ну и ссылку для понимания о чём речь: BLOG:)73580
Safich (00:02), ну я просто глянул список его материалов - их всего два, вместе с этим :) трудно было не догадаться :)))

но сейчас добавлю ссылку в пост
Прикольно смотрятся в собранном виде. И ИН-18 недавно нашел и остальные детали бросовые, но паять лень ) Времени жалко.
Автор, ты крут, но никто тут не шарит. Таковы факты
. (00:31), чо это не шарит? Полоски это провода, а D1, D2 и D3 диоды :)
а я вот смехотехник, так что спасибо, сохранил к себе :)
Значит я ошибся. Это хорошо
Ну вот опять мерцающая схема... вы что все, дешифраторы экономите что ли? мерцание аналоговых индикаторов это же фу фу фу!
ссылка | ссылка для детей | случайный | вернуться  ↑  19
« предыдущие материалы | регистрация | вход | настройки | поиск | справка | топ | новости »
всего материалов: 132970 | ваш уровень доступа: гость
© Stanis.Blog 2004-2026 | BLOG.microscript версия 1.9.3 | активных за сутки / месяц: 84 / 137 | rssфорум
все материалы, представленные на этой странице, являются собственностью их уважаемых создателей
Netscape Navigator 3.0 compatible Ready for Internet Explorer